El implante IKELT destaca por ser fácilmente rehabilitable y por ofrecer muchas opciones protéticas.
GEOMETRÍA DEL IMPLANTE
El implante IKELT es un implante autorroscante con conexión de hexágono externo de 2,7 mm y fabricado en titanio comercialmente puro (grado 4). Disponible en gran variedad de diámetros y longitudes, es un implante versátil que se coloca sin transportador.
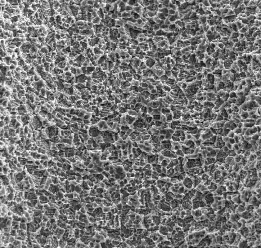
SUPERFÍCIE
Superficie moderadamente rugosa cuya estructura es óptima para facilitar el proceso de osteoconducción. Dicha superficie se obtiene mediante un procedimiento de grabado ácido. No se utiliza sandblasting para minimizar riesgos de contaminación superficial.
PROTOCOLO QUIRÚRGICO
El implante IKELT dispone de un kit quirúrgico ligero y fácil de utilizar.
Se compone únicamente de 6 fresas cilíndricas y dos fresas avelllanadoras que permiten su inserción en cualquier tipo de hueso.